朱氏蚂蚁电机

产品选型报价热线15814652829
首页 > 产品中心>步进/无刷电机系列>直线步进电机>固定轴丝杆> 20系列固定轴丝杆步进电机

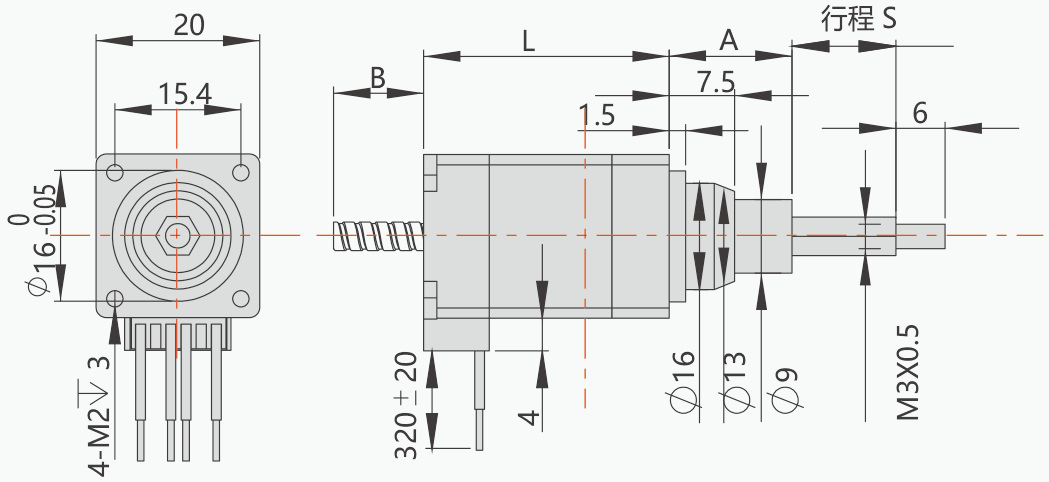
20系列固定轴丝杆步进电机

步距角度:1.8°/Step
法兰尺寸:20mm
角度误差:±0.09°
绝缘耐压:500V AC/1分钟
绝缘电阻:100MΩ
马达表面最高承受温度:100℃
湿度范围:20%RH-90%RH
轴向容许负载:3N
径向容许负载:15N(距安装面5mm)

0

热门推荐

命名规则

MY
20
E
28
-
08
04
-
150
品牌
法兰
丝杆电机类型
长度
丝杆直径
丝杆导程
丝杆长度
非标代码
朱氏蚂蚁
20:20mm
28:28mm
35:35mm

E:外部驱动型
N:丝杆贯通型
G:精密滚珠型
C:固定伸缩型

28:机身长度28mm
40:机身长度40mm
08:丝杆直径8mm
12:丝杆直径12mm

02:丝杆导程2mm
04:丝杆导程4mm
100:100mm
150:150mm
200:200mm
自定义代码


电机型号规格


电机规格
丝杆代码
行程
S (mm)
尺寸
A (mm)
尺寸
B (mm)
电机长度
mm
额定电流
A
适配驱动器
Driver
MY20C30
C1
9
14.35
0.6
30mm
0.6A
脉冲型
MY2422D
C2
12.7
18.05
4.3
C3
19.5
24.46
10.7
C4 25.4
30.75
17
C5 31.8
37.15
23.4
C6 50.8
56.15
42.4
MY20C30
C1 9
14.35
0.6
42mm
C2 12.7
18.05
4.3
C3 19.5
24.46
10.7
C4 25.4
30.75
17
C5 31.8
37.15
23.4
C6 50.8
56.15
42.4


★ 驱动可选配:脉冲触发,IO编程,RS485通讯,CANopen通讯,EtherCAT通讯。
★ 相关2D,3D图纸请联系深圳市蚂蚁电机有限公司销售人员。



电机型号
电机长度
mm
MY20C30
30
MY20C42
42




使用说明

1、关于电机的安装方向:电机的安装方向可以由横向、朝上、朝下任一方向自由安装。无论任何方向均请注意转轴的悬挂负载、轴向负载问题。

2、此外,请注意不要让电缆线与安装面接触,造成不必要的压力。

3、安装方法:请尽量考虑散热性、防止振动的问题,将其牢牢的固定在强韧的金属面上务必用电机前端安装止口定位,并注意公差配合,严格保证电机输出轴与负载的同心度。

4、驱动器峰值电流设置必须小于电机的额定电流。

5、请勿直接拎电机电缆线


应用领域

木工雕刻机、激光雕刻机、打标机、贴标机、固晶机、焊线机、UV打印机、3D打印机、喷绘机、绘图仪、绣花机、点胶机、灌胶机、焊锡机BGA返修台、贴合机、贴片机、热压机、背光源贴膜机、涂装机、往复机、端子机、剥线机、绕线机、锡膏印刷机、PCB钻孔机、V-CUT机打靶机、FPC补强机、涂布机、叠片机、IC分选机、IC烧录机、编带机、医疗设备、非标设备、XYZ测量仪、连接器组装机、SMT周边设备等。


  • 文件名称
  • 文件类型
  • 大小
  • 日期
  • 下载

同类推荐